
-
- 產品名稱:單向流潔凈室
- 所屬分類:潔凈室工程
- 產品概述:單向流潔凈室(1級-100級)1級-100級的潔凈室,均采用單向流的氣流組織送風方式,即潔凈室內的氣流以均勻的截面速度沿著平行流線以單一方向在整個室截面上通過的潔凈室。單向流潔凈室是靠送風潔凈氣流“活塞”般的平推作用,把室內污染排出。
- 全國 服務熱線:153-5157-6060

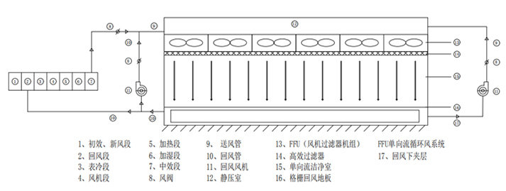
單向流潔凈室(1級-100級)
1級-100級的潔凈室,均采用單向流的氣流組織送風方式,即潔凈室內的氣流以均勻的截面速度沿著平行流線以單一方向在整個室截面上通過的潔凈室。單向流潔凈室是靠送風潔凈氣流“活塞”般的平推作用,把室內污染排出。

